$0.00
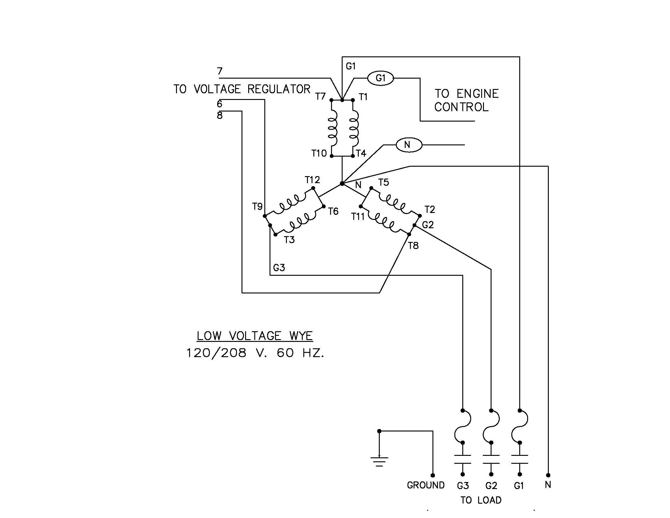
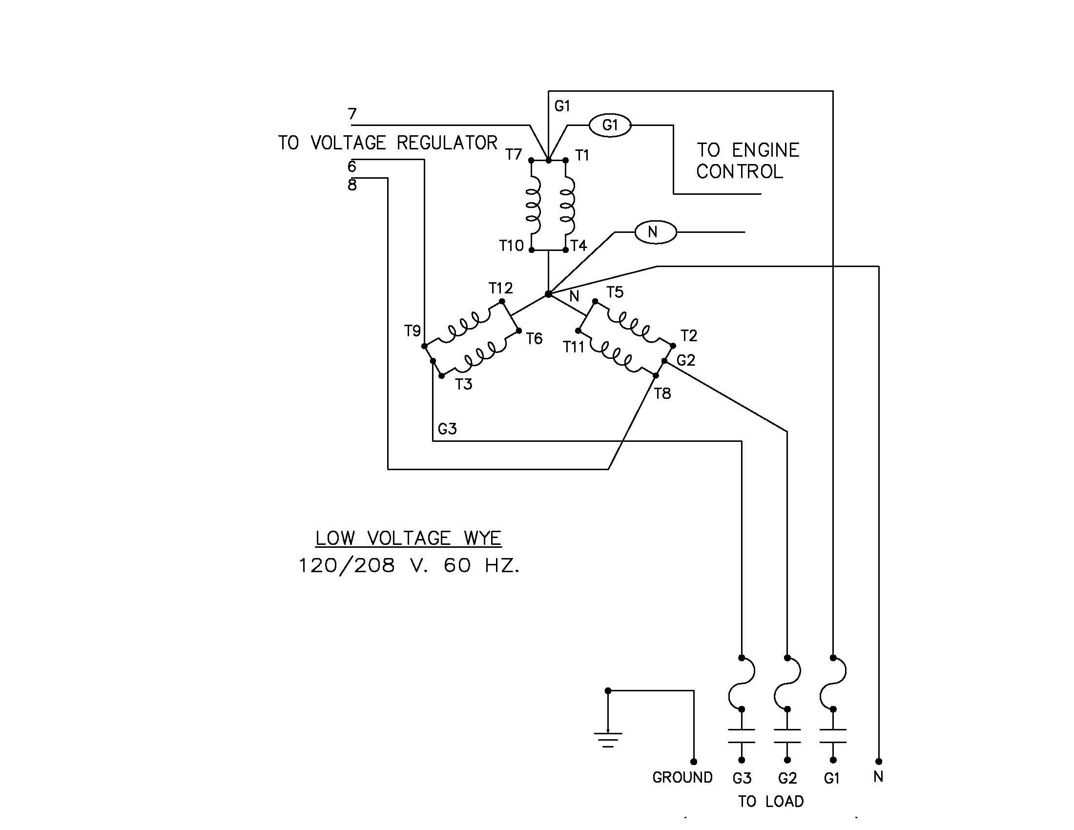
120/208V low wye/parallel series
Title (optional)
Review *
Enter a URL (optional)
Choose a file
Name *
Email *
Save Review
Question *
Save Question
Show everythingShow all reviewsShow all questionsShow helpful positive reviewsShow helpful negative reviewsShow unanswered questions
There are no contributions yet.
Username or email address *Required
Password *Required
Remember me Log in
Lost your password?
Email address *
Continue as a Guest
What others are saying
There are no contributions yet.