Solid Neutral
$0.00
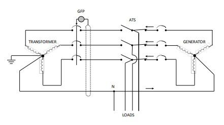
A Solid Neutral Assembly is an unswitched component used with voltage systems that include a grounded conductor (neutral). It will consist of lugs for incoming and outgoing grounded conductors (neutrals) and a lug for the grounding conductor (if the device is used as Service Equipment). For Service Equipment use, the neutral assembly would be bonded to the enclosure with a bonding screw or strap supplied with the equipment.

What others are saying
There are no contributions yet.